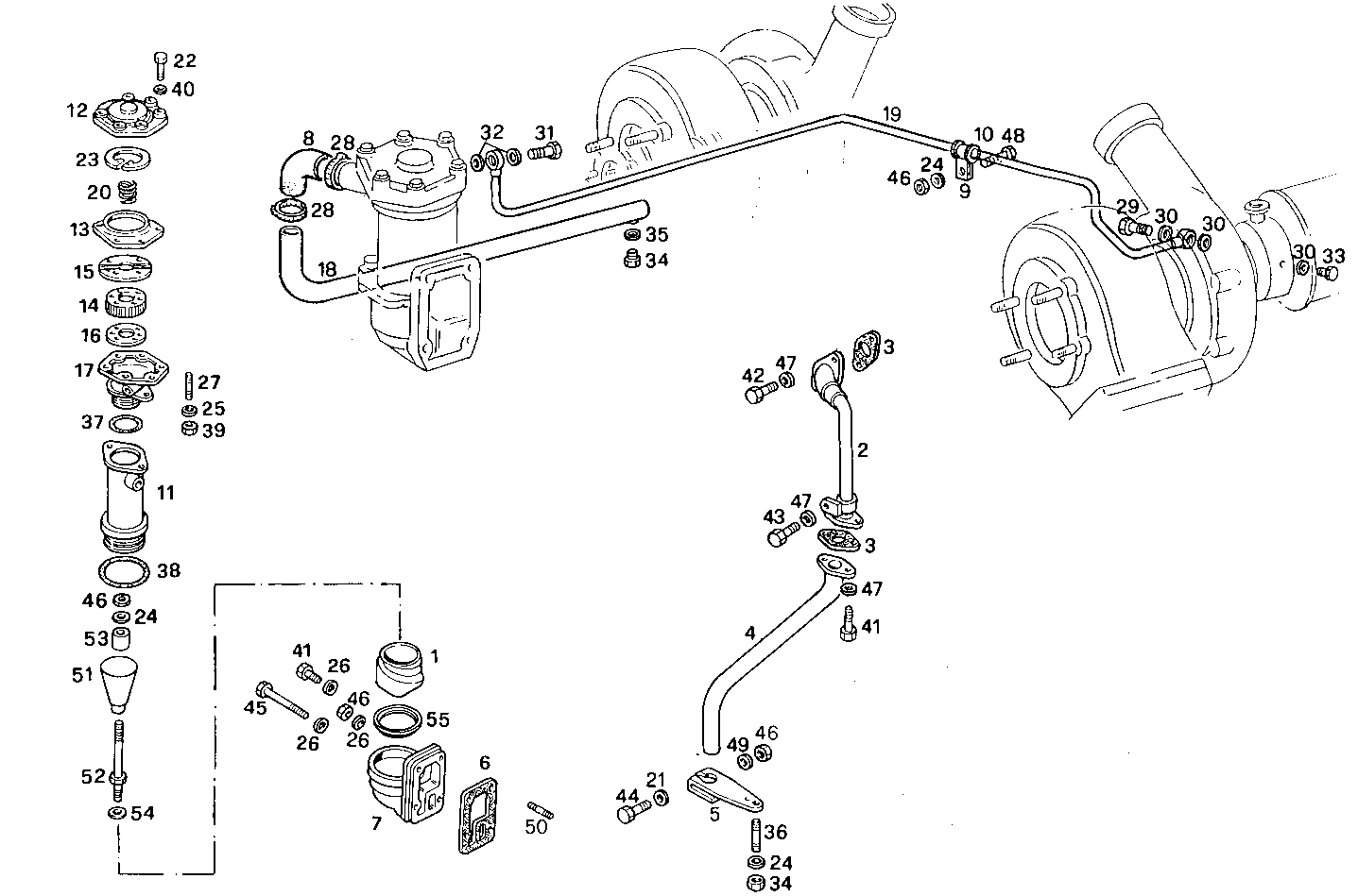
| 1 |
4653223
|
BEARING HOUSING
|
|
1
|
|
| 2 |
4672725
|
PIPE
|
|
1
|
|
| 3 |
4863531
|
FLAT ENGINE GASKET
|
|
2
|
|
| 4 |
4673572
|
BREATHER PIPE
|
|
1
|
|
| 5 |
4673574
|
RETAINER
|
|
1
|
|
| 6 |
4863495
|
FLAT ENGINE GASKET
|
|
1
|
|
| 7 |
4687332
|
SUPPORT
|
|
1
|
|
| 8 |
4605529
|
RUBBER SLEEVE
|
|
1
|
|
|
8037698 |
RUBBER SLEEVE |
|
1 |
|
| 9 |
4671053
|
RETAINER
|
|
2
|
|
| 10 |
4784142
|
RUBBER PAD
|
|
2
|
|
| 11 |
8108686
|
AIR MANIFOLD
|
|
1
|
|
| 12 |
4771075
|
COVER
|
|
1
|
|
| 13 |
4771078
|
DIAPHRAGM
|
|
1
|
|
| 14 |
4771079
|
FILTER
|
|
1
|
|
| 15 |
4771080
|
DISC
|
|
1
|
|
| 16 |
4771081
|
DISC
|
|
1
|
|
| 17 |
4774692
|
BEARING HOUSING
|
|
1
|
|
| 18 |
8113779
|
BREATHER PIPE
|
|
1
|
|
| 19 |
8014557
|
BREATHER PIPE
|
|
1
|
|
| 20 |
4812557
|
SPRING
|
|
1
|
|
| 21 |
17094914
|
WASHER
|
|
1
|
|
| 22 |
10902811
|
HEXAGON BOLT
|
|
6
|
|
| 23 |
11062176
|
CIRCLIP
|
|
1
|
|
| 24 |
17089474
|
SPRING WASHER
|
|
2
|
|
| 25 |
17088474
|
WASHER
|
|
2
|
|
| 26 |
17089874
|
WASHER
|
|
4
|
|
| 27 |
11500221
|
STUD
|
|
2
|
|
| 28 |
17764693
|
CLIP
|
|
2
|
|
| 29 |
4864082
|
BANJO BOLT
|
|
1
|
|
| 30 |
4858607
|
WASHER
|
|
3
|
|
| 31 |
4864080
|
SCREW CONNECTOR
|
|
1
|
|
| 32 |
4858606
|
GASKET
|
|
2
|
|
| 33 |
16992240
|
THREADED PLUG
|
|
1
|
|
| 34 |
10300940
|
PLUG
|
|
1
|
|
| 35 |
4858605
|
WASHER
|
|
1
|
|
| 36 |
16729224
|
STUD
|
|
2
|
|
| 37 |
17289681
|
O-RING
|
|
1
|
|
| 38 |
17290781
|
O-RING
|
|
1
|
|
| 39 |
15896211
|
HEXAGON NUT
|
|
2
|
|
|
17037821 |
HEXAGON NUT |
|
2 |
|
| 40 |
10519401
|
WASHER
|
|
6
|
|
| 41 |
16605624
|
HEXAGON BOLT
|
|
4
|
|
|
16605635 |
HEXAGON BOLT |
|
4 |
|
| 42 |
16605734
|
HEXAGON BOLT
|
|
2
|
|
| 43 |
16605824
|
HEXAGON BOLT
|
|
1
|
|
| 44 |
16605924
|
SCREW
|
|
1
|
|
| 45 |
16606524
|
HEXAGON BOLT
|
|
1
|
|
| 46 |
17037931
|
HEXAGON NUT
|
|
3
|
|
| 47 |
17089574
|
WASHER
|
|
5
|
|
|
17089575 |
WASHER |
|
5 |
|
| 48 |
16605424
|
SCREW
|
|
2
|
|
| 49 |
17089474
|
SPRING WASHER
|
|
1
|
|
| 50 |
1351722
|
STUD
|
|
1
|
|
| 51 |
4756950
|
SHUTTER
|
|
1
|
|
| 52 |
4816498
|
STUD
|
|
1
|
|
| 53 |
13606111
|
SPACER
|
|
1
|
|
| 54 |
17094911
|
WASHER
|
|
1
|
|
| 55 |
4653228
|
RUBBER GASKET
|
|
1
|
|