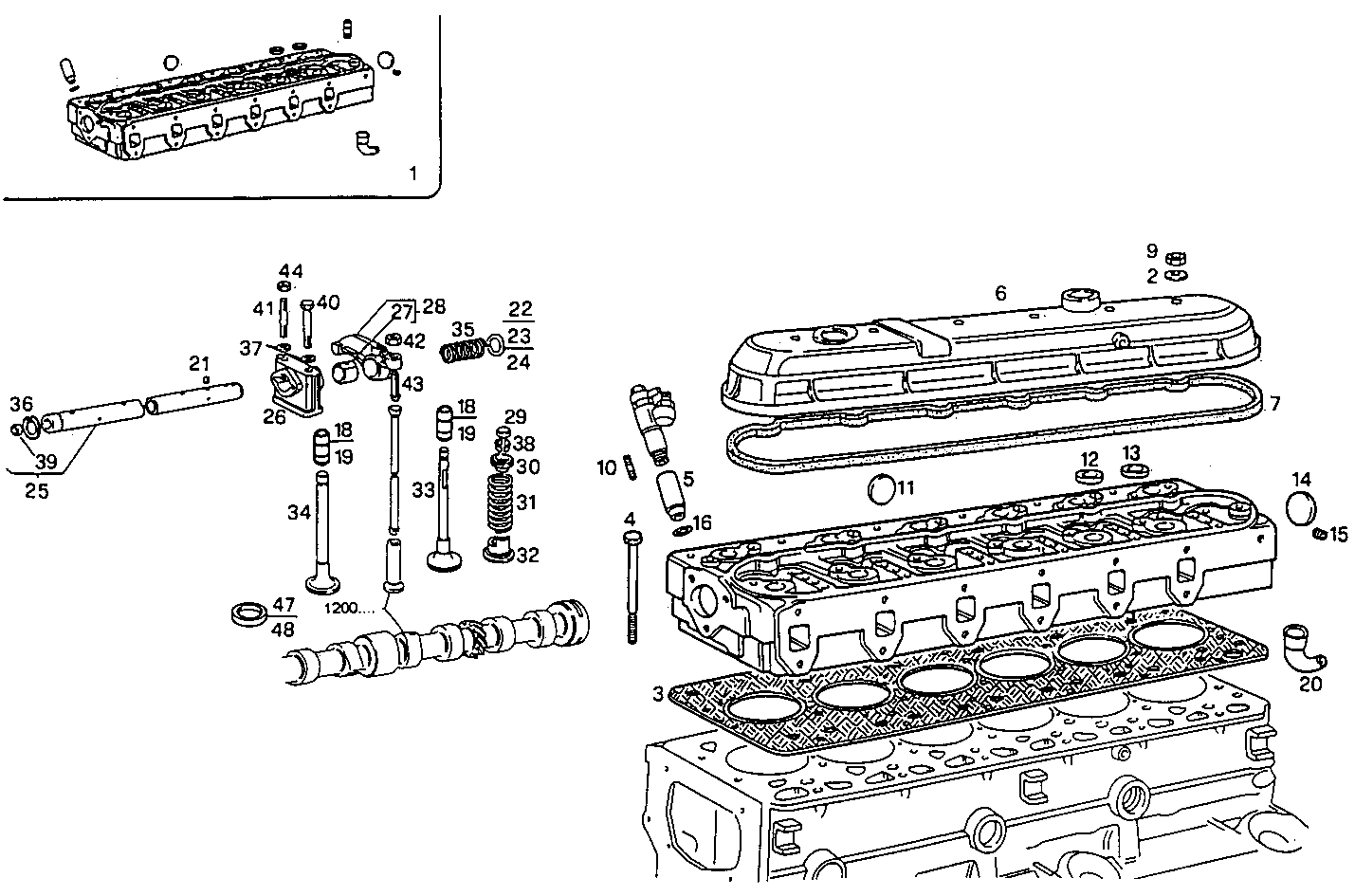
| 1 |
4832023
|
CYLINDER HEAD
|
|
1
|
|
|
16992315 |
CYLINDER HEAD |
|
1 |
|
| 2 |
98416134
|
WASHER
|
|
6
|
|
| 3 |
98443190
|
CYL.HEAD GASKET
|
|
1
|
|
|
1907832 |
CYL.HEAD GASKET |
|
1 |
|
| 4 |
4796457
|
CYL.HEAD STUD
|
|
26
|
|
| 5 |
4770859
|
NOZZLE HOLDER SEAT
|
|
6
|
|
| 6 |
8111617
|
CYL. HEAD COVER
|
|
1
|
|
| 7 |
4845138
|
HEAD COVER GASKET
|
|
1
|
|
| 9 |
98417659
|
NUT
|
|
6
|
|
| 10 |
13517530
|
STUD
|
|
12
|
|
|
500380521 |
STUD |
|
12 |
|
| 11 |
16991170
|
LOCK PLUG
|
|
1
|
|
| 12 |
16990870
|
LOCK PLUG
|
|
12
|
|
| 13 |
14282170
|
LOCK PLUG
|
|
1
|
|
| 14 |
16991370
|
LOCK PLUG
|
|
1
|
|
| 15 |
14323911
|
LOCK PLUG
|
|
1
|
|
| 16 |
14453981
|
O-RING
|
|
12
|
|
| 18 |
4802126
|
VALVE GUIDE
|
|
12
|
|
| 19 |
4802127
|
VALVE GUIDE +0,2
|
|
12
|
|
| 20 |
4818862
|
WATER CONVEYOR
|
|
6
|
|
| 21 |
4846851
|
SPIGOT SCREW
|
|
1
|
|
| 22 |
4639661
|
SUPPORT RING
|
|
10
|
|
| 23 |
4570798
|
SUPPORT RING
|
|
4
|
|
| 24 |
4570799
|
SUPPORT RING
|
|
4
|
|
| 25 |
4838844
|
ROCKER SHAFT
|
|
1
|
|
| 26 |
4601295
|
ROCKER BRACKET
|
|
6
|
|
| 27 |
4682937
|
BUSH
|
|
12
|
|
| 28 |
4848973
|
ROCKER ARM
|
|
12
|
|
| 29 |
4838680
|
VALVE CAP
|
|
12
|
|
| 30 |
4780558
|
SPRING CAP
|
|
12
|
|
| 31 |
4812347
|
ENGINE VALV.SPRING
|
|
12
|
|
| 32 |
4817424
|
SPRING CAP
|
|
12
|
|
| 33 |
4784888
|
INLET VALVE
|
|
6
|
|
|
500042643 |
INLET VALVE |
|
6 |
|
| 34 |
4784890
|
EXHAUST VALVE
|
|
6
|
|
|
IVE1908409 |
EXHAUST VALVE |
|
6 |
|
| 35 |
4601296
|
ROCKER ARM SPRING
|
|
5
|
|
| 36 |
11066676
|
CIRCLIP
|
|
2
|
|
| 37 |
17094901
|
WASHER
|
|
12
|
|
|
17094904 |
WASHER |
|
12 |
|
| 38 |
14196670
|
VALVE CONE
|
|
24
|
|
| 39 |
14328301
|
LOCK PLUG
|
|
2
|
|
|
16987801 |
LOCK PLUG |
|
2 |
|
| 40 |
16044521
|
HEXAGON BOLT
|
|
6
|
|
|
16606424 |
HEXAGON BOLT |
|
6 |
|
| 41 |
13516221
|
STUD
|
|
6
|
|
| 42 |
4338920
|
ADJUSTING NUT
|
|
12
|
|
| 43 |
4699783
|
ROCKER ARM SCREW
|
|
12
|
|
| 44 |
17037931
|
HEXAGON NUT
|
|
6
|
|
| 47 |
98495493
|
VALVE SEAT STD.
|
|
6
|
|
| 48 |
4803956
|
VALVE SEAT +0.05
|
|
6
|
|