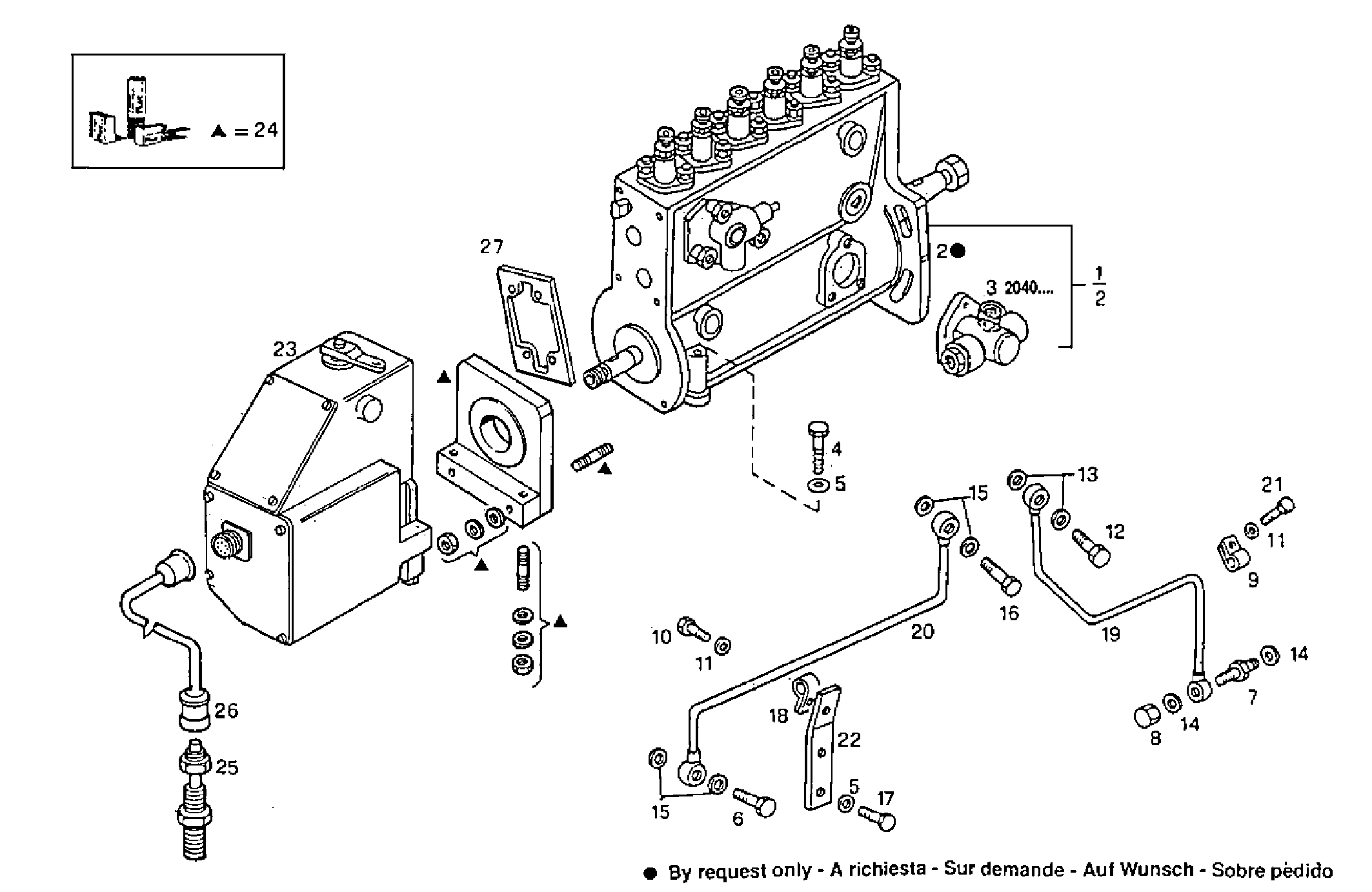
| 1 |
8012017
|
INLINE INJECT.PUMP
|
|
1
|
|
| 2 |
8015584
|
INLINE INJECT.PUMP
|
|
1
|
|
| 3 |
8017832
|
FUEL PUMP
|
|
1
|
|
| 4 |
15971621
|
HEXAGON BOLT
|
|
4
|
|
|
15971634 |
HEXAGON BOLT |
|
4 |
|
| 5 |
17090174
|
SPRING WASHER
|
|
6
|
|
| 6 |
4864083
|
SCREW CONNECTOR
|
|
1
|
|
| 7 |
4621393
|
THREADED UNION
|
|
1
|
|
| 8 |
11902111
|
PLUG
|
|
1
|
|
|
42569817 |
PLUG |
|
1 |
|
| 9 |
17316190
|
PIPE CLIP
|
|
1
|
|
| 10 |
16605424
|
SCREW
|
|
1
|
|
| 11 |
17089474
|
SPRING WASHER
|
|
2
|
|
| 12 |
705736
|
SCREW CONNECTOR
|
|
1
|
|
| 13 |
98474305
|
WASHER
|
|
2
|
|
| 14 |
4837613
|
GASKET
|
|
3
|
|
| 15 |
98474308
|
SEAL GASKET
|
|
4
|
|
|
5801696011 |
SEAL GASKET |
|
4 |
|
| 16 |
98479387
|
SCREW CONNECTOR
|
|
1
|
|
| 17 |
15004021
|
HEXAGON BOLT
|
|
2
|
|
| 18 |
17316490
|
CLIP
|
|
1
|
|
|
17316499 |
CLIP |
|
1 |
|
| 19 |
98443555
|
PIPE
|
|
1
|
|
| 20 |
98474954
|
PIPE
|
|
1
|
|
| 21 |
16605424
|
SCREW
|
|
1
|
|
| 22 |
4645737
|
FASTENING BRACKET
|
|
1
|
|
| 23 |
8029133
|
ENGINE ACTUATOR
|
|
1
|
|
| 24 |
8018386
|
SPEED-GOVERNOR-KIT
|
|
1
|
|
| 25 |
8018673
|
PICK-UP
|
|
1
|
|
| 26 |
8018791
|
ENGINE HARNESS
|
|
1
|
|
| 27 |
8093808
|
GASKET
|
|
1
|
|