TURBOCHARGER
Assembly ID: 2400.298
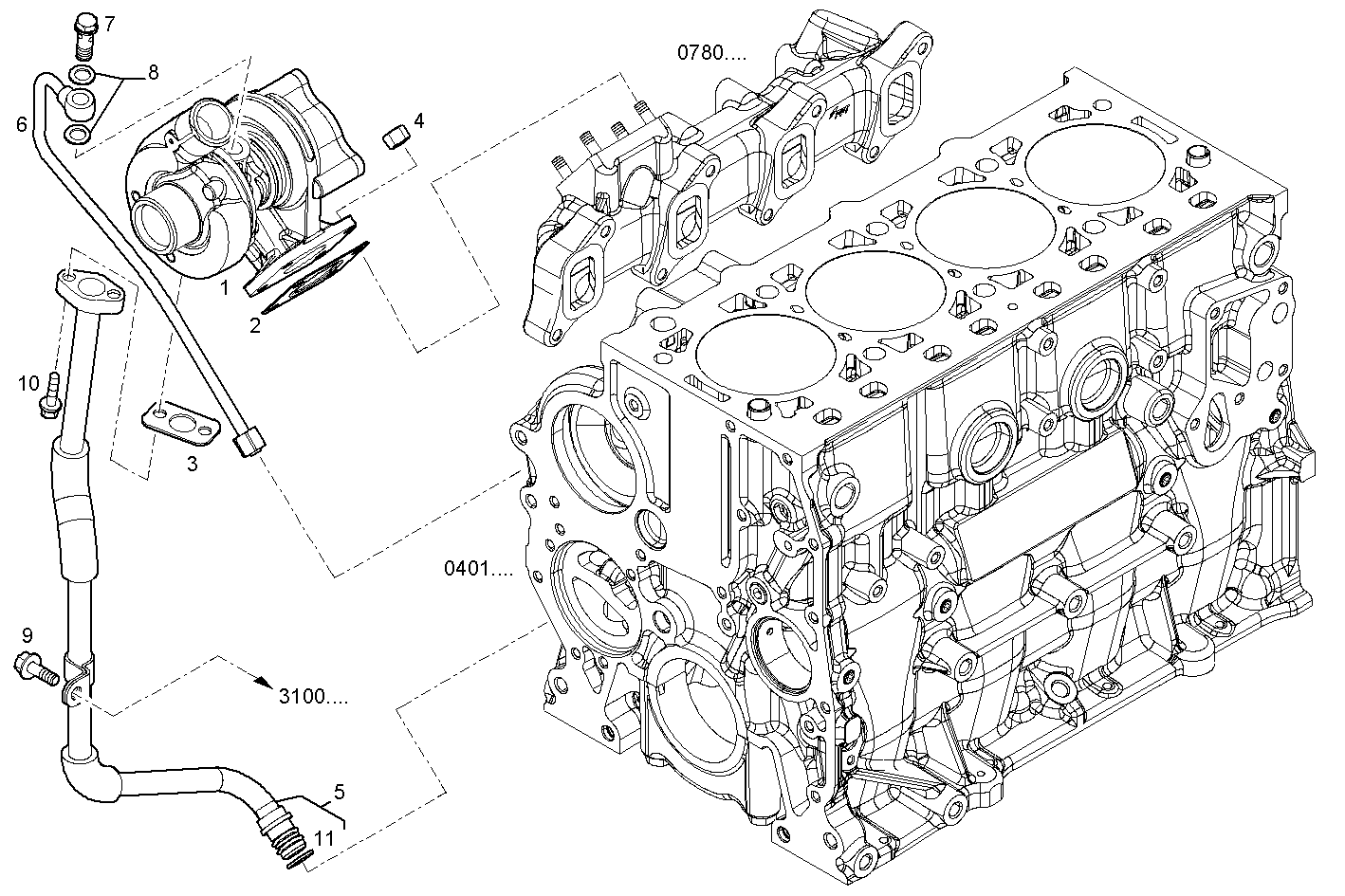
Parts
| # | Part number | Description | Note | Quantity | |
|---|---|---|---|---|---|
| 1 | 504242763 | TURBOCHARGER | 1 | ||
| 2 | 4899343 | EXH. MANIFOLD GKT | 1 | ||
| 3 | 500370706 | FLAT ENGINE GASKET | 1 | ||
| 4 | 500322677 | HEXAGON NUT | 4 | ||
| 5 | 504164226 | OIL LINE | 1 | ||
| 6 | 504164224 | OIL LINE | 1 | ||
| 7 | 4864080 | SCREW CONNECTOR | 1 | ||
| 8 | 17750480 | GASKET | 2 | ||
| 9 | 16586224 | HEXAGON BOLT | 1 | ||
| 10 | 18137825 | HEXAGON BOLT | 2 | ||
| 11 | 17281681 | O-RING | 1 |
Applies to engines
| Engine | Family | |
|---|---|---|
| F5CE9454E*A005 | F32 mechanic. - TIER 3 | view |
| F5AE9484A*A003 | F5A mechanic. - TIER 3 | view |
| F5AE9484B*A003 | F5A mechanic. - TIER 3 | view |
| F5AE9484G*A005 | F5A mechanic. - TIER 3 | view |
| F5CE9454E*A001 | F32 mechanic. - TIER 3 | view |
| F5CE5454B*A001 | F32 mechanic. - TIER 3 | view |
| F5CE9454C*A001 | F32 mechanic. - TIER 3 | view |
| F5CE9454G*A001 | F32 mechanic. - TIER 3 | view |
| F5CE9454E*A004 | F32 mechanic. - TIER 3 | view |
| F5CE5454B*A003 | F32 mechanic. - TIER 3 | view |
| F5AE9484A*A001 | F5A mechanic. - TIER 3 | view |
| F5CE9454E*A002 | F32 mechanic. - TIER 3 | view |
| F5CE5454B*A002 | F32 mechanic. - TIER 3 | view |
| F5AE9484B*A001 | F5A mechanic. - TIER 3 | view |
| F5AE9484G*A004 | F5A mechanic. - TIER 3 | view |
| F5AE5454F*A001 | F5A mechanic. - TIER 3 | view |
| F5AE9484G*A001 | F5A mechanic. - TIER 3 | view |
| F5AE9454E*A001 | F5A mechanic. - TIER 3 | view |
| F5CE9454E*A003 | F32 mechanic. - TIER 3 | view |
| F5AE9484G*A006 | F5A mechanic. - TIER 3 | view |
| F5AE9454H*A001 | F5A mechanic. - TIER 3 | view |
| F5AE9454D*A001 | F5A mechanic. - TIER 3 | view |
| F5AE9454F*A001 | F5A mechanic. - TIER 3 | view |
| F5AE9484A*A004 | F5A mechanic. - TIER 3 | view |
| F5AE9484B*A005 | F5A mechanic. - TIER 3 | view |
| F5AE9484G*A008 | F5A mechanic. - TIER 3 | view |
| F5AE9454H*A002 | F5A mechanic. - TIER 3 | view |