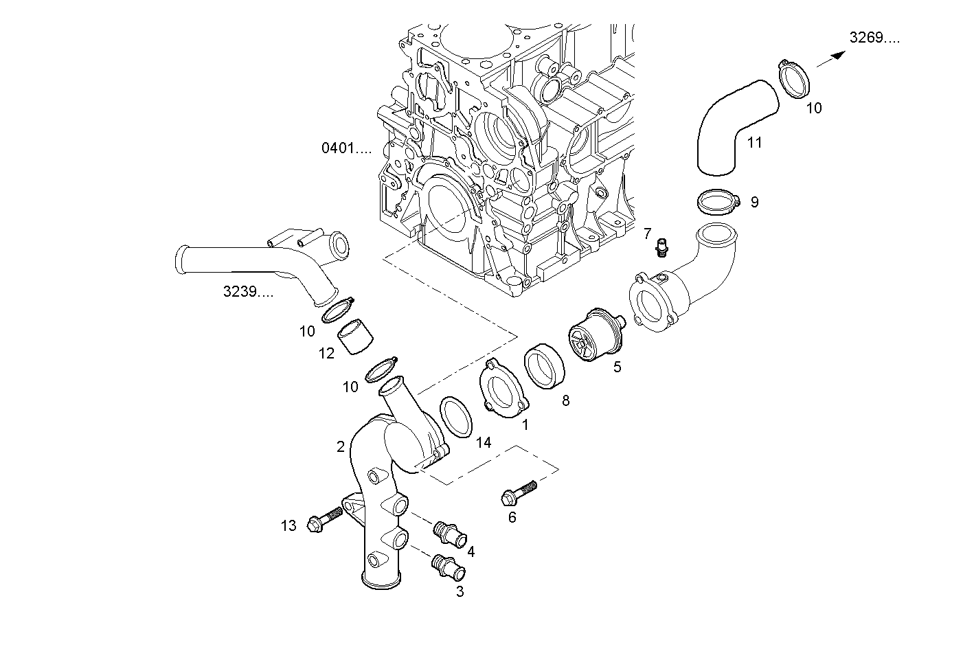
TEMPERATURE REGULATOR
Assembly ID: 3260.047
Parts
| # | Part number | Description | Note | Quantity | |
|---|---|---|---|---|---|
| 1 | 99479999 | FLAT ENGINE GASKET | 1 | ||
| 2 | 99478815 | THERMOSTAT BODY | 1 | ||
| 3 | 99478004 | THREADED UNION | 1 | ||
| 4 | 99464284 | PIPE SOCKET | 1 | ||
| 5 | 504096443 | THERMOSTAT | 1 | ||
| 6 | 16673735 | HEXAGON BOLT | 3 | ||
| 7 | 98475758 | PIPE SOCKET | 1 | ||
| 8 | 98451661 | WASHER | 1 | ||
| 9 | 17764991 | CLIP | 1 | ||
| 10 | 17765091 | CLIP | 3 | ||
| 11 | 500333973 | WATER HOSE | 1 | ||
| 12 | 99480479 | WATER HOSE | 1 | ||
| 13 | 16586925 | HEXAGON BOLT | 3 | ||
| 14 | 17290081 | O-RING | 1 |
Applies to engines
| Engine | Family | |
|---|---|---|
| C87ENTX20.00A003 | CURSOR 9 - TIER 3 | view |