ENGINE SUSPENSION
Assembly ID: 4500.049
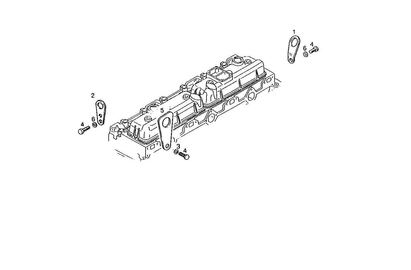
Parts
| # | Part number | Description | Note | Quantity | |
|---|---|---|---|---|---|
| 1 | 98445868 | HOOK | 1 | ||
| 2 | 98416981 | HOOK | 1 | ||
| 3 | 98445870 | WASHER | 1 | ||
| 4 | 14233434 | SCREW | 5 | ||
| 5 | 98484365 | HOOK | 1 | ||
| 6 | 17095101 | WASHER | 2 |
Applies to engines
| Engine | Family | |
|---|---|---|
| 8361SRi12.00 | 8361SRi12 | view |
| 8361SRE11.00 | 8361SRE11 | view |
| 8361SRE11.00A001 | 8361SRE11 | view |
| 8361SRI12.00A800 | 8361SRi12 | view |