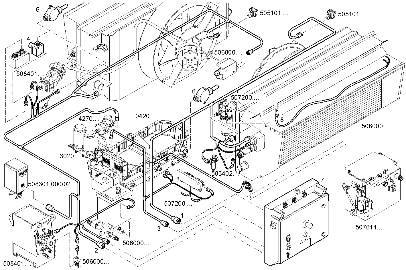
ELECTRIC WIRING
Assembly ID: 508301.000-01
Parts
| # | Part number | Description | Note | Quantity | |
|---|---|---|---|---|---|
| 1 | 504056727 | SET OF WIRING | 1 | ||
| 2 | 504056729 | SET OF WIRING | 1 | ||
| 3 | 504047466 | SET OF WIRING | 1 | ||
| 4 | 504062803 | PUSH BUTTON | 1 | ||
| 5 | 504048060 | SET OF WIRING | 1 | ||
| 6 | 504077541 | SENSOR | 2 | ||
| 7 | 504208361 | SWITCH PANEL | 1 | ||
| 8 | 504079408 | WIRE/CABLE | 1 |
Applies to engines
| Engine | Family | |
|---|---|---|
| PPVZ2883X*Q400 | POWER PACK | view |
| PPVZ2883X*Q440 | POWER PACK | view |