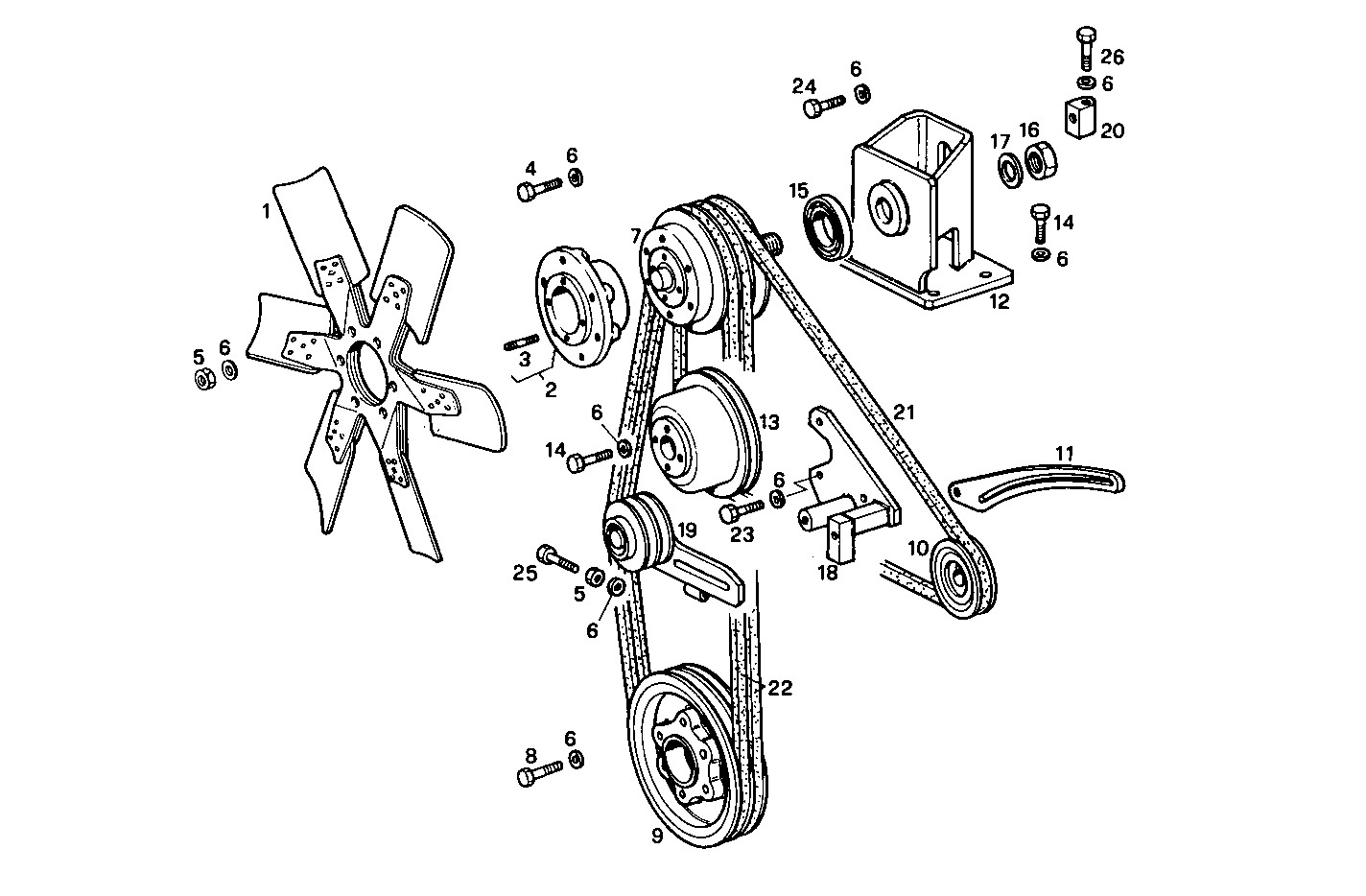
| 1 |
79003152
|
FAN
|
|
1
|
|
| 2 |
4936529
|
HUB
|
|
1
|
|
| 3 |
13546324
|
STUD
|
|
6
|
|
| 4 |
15971631
|
HEXAGON BOLT
|
|
4
|
|
| 5 |
12164711
|
HEXAGON NUT
|
|
7
|
|
| 6 |
11198371
|
SPRING WASHER
|
|
32
|
|
|
17090274 |
SPRING WASHER |
|
32 |
|
| 7 |
8007613
|
PULLEY
|
|
1
|
|
| 8 |
15888831
|
HEXAGON BOLT
|
|
6
|
|
| 9 |
8112730
|
PULLEY
|
|
1
|
|
| 10 |
8112961
|
PULLEY
|
|
1
|
|
| 11 |
4626125
|
RETAINER
|
|
1
|
|
| 12 |
8007596
|
SUPPORT
|
|
1
|
|
| 13 |
8113709
|
PULLEY
|
|
1
|
|
| 14 |
11306931
|
SCREW
|
|
8
|
|
|
11306933 |
SCREW |
|
8 |
|
| 15 |
4772231
|
SPACER RING
|
|
1
|
|
| 16 |
12164421
|
NUT
|
|
1
|
|
| 17 |
11200579
|
WASHER
|
|
1
|
|
| 18 |
8112731
|
SUPPORT
|
|
1
|
|
| 19 |
8112733
|
BELT TENSIONER
|
|
1
|
|
|
8112732 |
BELT TENSIONER |
|
1 |
|
|
8107853 |
BELT TENSIONER |
|
1 |
|
| 20 |
4723225
|
CHOCK
|
|
1
|
|
| 21 |
8110511
|
V-BELT
|
|
1
|
|
| 22 |
8005523
|
V-BELT
|
|
1
|
|
| 23 |
15971321
|
HEXAGON BOLT
|
|
3
|
|
| 24 |
15004021
|
HEXAGON BOLT
|
|
3
|
|
| 25 |
15231721
|
SCREW
|
|
1
|
|
| 26 |
11343731
|
SCREW
|
|
1
|
|
|
11343733 |
SCREW |
|
1 |
|