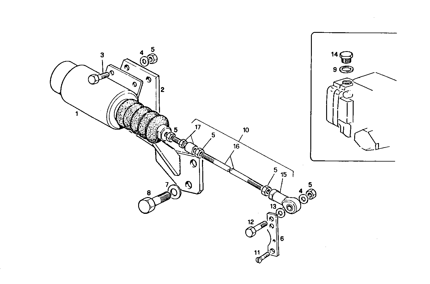
| 1 |
8105421
|
SOLENOID
|
|
1
|
|
| 2 |
8109366
|
SUPPORT
|
|
1
|
|
| 3 |
10902121
|
HEXAGON BOLT
|
|
4
|
|
|
10902124 |
HEXAGON BOLT |
|
4 |
|
| 4 |
11197779
|
SPRING WASHER
|
|
5
|
|
|
17088474 |
SPRING WASHER |
|
5 |
|
| 5 |
15896211
|
HEXAGON NUT
|
|
8
|
|
|
17037821 |
HEXAGON NUT |
|
8 |
|
| 6 |
8108368
|
LEVER
|
|
1
|
|
| 7 |
17091070
|
WASHER
|
|
3
|
|
| 8 |
16609824
|
HEXAGON BOLT
|
|
3
|
|
|
16609825 |
HEXAGON BOLT |
|
3 |
|
| 9 |
10280050
|
SEAL GASKET
|
|
1
|
|
| 10 |
8109367
|
TIE ROD
|
|
1
|
|
| 11 |
10351821
|
SCREW
|
|
1
|
|
| 12 |
10902621
|
SCREW
|
|
1
|
|
| 13 |
14499301
|
WASHER
|
|
1
|
|
|
17094614 |
WASHER |
|
1 |
|
| 14 |
10300611
|
LOCK PLUG
|
|
1
|
|
|
16992315 |
LOCK PLUG |
|
1 |
|
| 15 |
4934541
|
BRACE/STRUT
|
|
1
|
|
| 16 |
8100610
|
TIE ROD
|
|
1
|
|
| 17 |
8109368
|
TIE ROD
|
|
1
|
|